Description
This Case 40XT 60XT 70XT Skid Steer Loader PDF Workshop Wiring and Parts Manual offers both the professional mechanic and the home enthusiast an encyclopaedic insight into your tractor. All elements of service, repair and maintenance are included as well as wiring diagram and full Electoronic Parts Catalog in simple pdf format fully bookmarked for ease of use.
Format:
Sections covered:
- Presentation
General Characteristics
Low Range Specifications
Capacities And Lubrication
Engine Lubrication
Diesel Fuel System
Case Engine
Drive Selection
Control Panels Left And Right Hand Side
- Location Of The Main Components
Hydraulic Pump
Hydrostatic Drive Pump
Hydraulic Drive Motor
Hydraulic Brakes
Loader Valve
Auxiliary Valve
Solenoid Valve
Hydraulic Cylinders
High Flow Control Valve
High Flow Hydraulic Pump
Chain Drive System
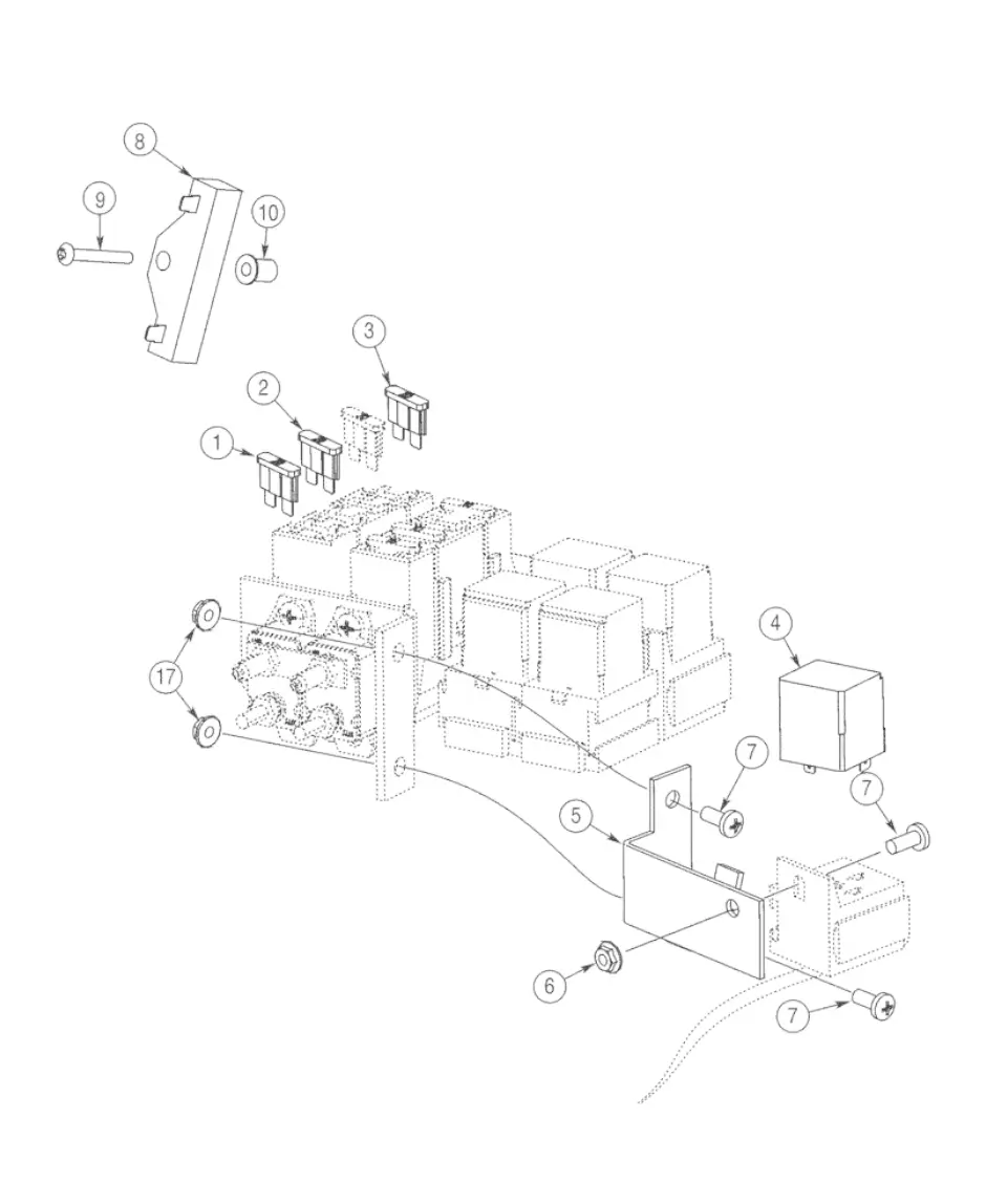
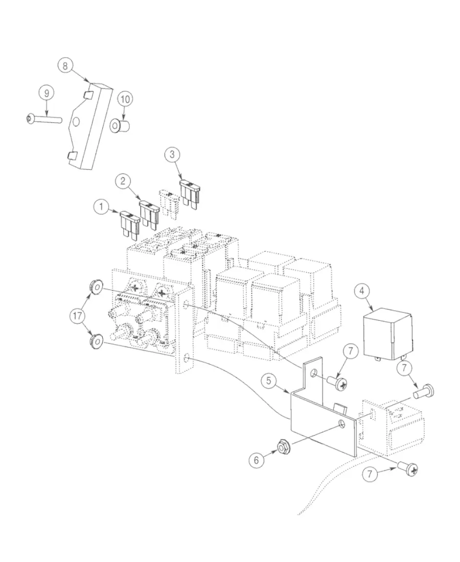
Fuse And Relay Box
- Components
Hand Remote Control
Foot Remote Control
Hydrostatic Pump
Hydrostatic Drive Motor
Hydraulic Pump
Loader Valve
Main Relief Valve
Auxiliary Valve
Solenoid Valve
Lift Cylinder
Buckett Cylinder
High Flow Circuit
Filter Restriction Indicator
- Electrical Circuit And Troubleshooting
Circuit Diagram Legends
Fuses
Left Hand Side Instrument Panel
Standard Right Hand Instrument Panel
Optional Engine Shutdown System
Control Levers
Left Hand Control Lever
Right Hand Control Lever
How To Test A Wiring Harness
Visual Inspection
Testing For Open Circuits
Finding An Open Circuit
Testing A Short Circuit
Finding A Short Circuit
Testing For A High Resistance Circuit
Troubleshooting Example
- Hydraulic
Hydraulic System Overview
Hydraulic Components
Loader Control Valve
Relief And Anti Cavitation Valve
Loader Control Valve Activated In The Different Functions
Spool Lock Solenoпds
Auxiliary Circuit
High Flow Hydraulic System
Oil Filter Indicator
Self Leveling System
Troubleshooting
- Hydrostatic
System Overview
Hydrostatic Pump
Hydraulic Drive Motor
Mechanical Parking Brake
Hydraulic Parking Brake
Hydrostatic Control Linkage
Cleaning Advices
Troubleshootings
Compatibility:
All versions of windows including Windows 7 and 8 both 32 & 64 bit systems as well as Apple Mac’s running OSX 10.6 or above, plus any Tablet or Smartphone.
This Case 40XT 60XT 70XT Skid Steer Loader PDF Workshop Wiring and Parts Manual comes in PDF format for ease of use.





Reviews
There are no reviews yet.