Description
This Ford New Holland TW35 Tractor PDF Workshop Service & Repair Manual is the most complete workshop manual available and offers both the professional mechanic and the home enthusiast an encyclopaedic insight into your tractor. Absolutely every element of service, repair and maintenance is included as well as wiring diagrams, in simple pdf format fully bookmarked for ease of use.
Format:
Number of Pages:
- 1500 Approx
Sections covered:
Engine System
- Engine And Lubrication System
- Turbocharger
- Intercooler
- Cooling System
- Trouble Shooting
- Specifications And Special Tools
Fuel System
- General
- Injectors
- Fuel Injection Pump
- Trouble Shooting, Specifications, Test Plans, Special Tools etc
Electrical System
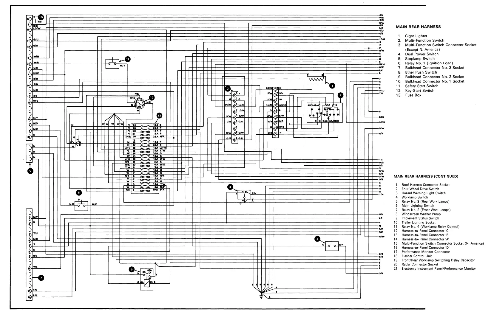
- Wiring, Lights, Switches And Instrumentation
- Battery
- Starting System
- Charging System – Alternator With Integral Regulator
- Trouble Shooting, Specifications, Special Tools And Wiring Diagrams
- Electronic Instrument Panel
- Performance Monitor
- Wiring And Electrical System Changes (After October 1985)
- Fuses And Wiring Diagrams
Clutch
- Clutches
- Servicing Clutch Associated Parts
- Trouble Shooting, Specifications And Special Tools
Transmission
- Seven And Eight Speed Transmissions
- Dual Power Transmission
- Low Pressure Hydraulic System
- Trouble Shooting, Specifications And Special Tools
- Ultra-Command Powershift Transmission
- Powershift Transmission Calibration, Initial Tests And Limp Home, Wiring Circuits, Trouble Shooting, Pressure
- Testing, Specifications And Special Tools Ford 8630, 8730 And 8830
- Low Pressure Hydraulic System Ford 8530, 8630, 8730 And 8830
- Creeper Reduction Gearset Ford 8530, 8630, 8730 And 8830
Power Take-Off
- Servicing The Independent Power Take-Off
- Trouble Shooting, Specifications And Special Tools
Rear Axle and Brakes
- Servicing The Rear Axle Assembly And Brakes
- Trouble Shooting, Pressure Tests, Specifications And Special Tools
- Power Brakes Ford 8530, 8630, 8730 And 8830
- Transmission Handbrake Assembly Two Wheel Drive 8530, 8630, 8730 And 8830 Models
Hydraulic System
- Hydraulic System Circuit Tractors Pre April 1985
- Hydraulic Power Lift Tractors Pre April 1985
- Component Overhaul Tractors Pre April 1985
- Trouble Shooting, Pressure Testing, Specifications And Special Tools Tractors Pre April 1985
- Upgraded Hydraulic System Circuit Tractors April 1985 Onwards
- Hydraulic Power Lift Tractors April 1985 Onwards
- Component Overhaul Tractors April 1985 Onwards
- Trouble Shooting, Pressure Testing, Specifications And Special Tools Tractors April 1985 Onwards
Steering System
- Hydrostatic Steering System
- Trouble Shooting, Specifications And Special Tools
Front Axle
- Two Wheel Drive Front Axle
- Front Wheel Drive Transfer Box For All Front Axle Types
- Front Wheel Drive Axle Assembly Ford Tw5 And Tw15 With Apl 345 Type Axle
- Specification And Special Tools
- Front Wheel Drive Axle Assemblies – Ford Tw5, Tw15, Tw25 And Tw35 With Apl 355 And 365 Type Axles
- Specifications & Special Tools For Ford Tw5/Tw15/Tw25/Tw35 With Apl 355/365 Axles & Associated Transfer Boxes
- 8530, 8630, 8730 And 8830 Tractors Installed With Dana Four Wheel Drive Axle
- Carraro Transfer Box For 8530, 8630, 8730 And 8830 Tractors Installed With Dana Four Wheel Drive Axle
Safety Cabs and Platforms
- Ford Tractor Safety Cabs And Platforms Pre November 1985- Description And Serviceability
- Ford Tractor Safety Cabs And Platforms Pre November 1985- Removal And Replacement
- Specifications And Special Tools Pre November 1985
- Ford Tractor Safety Cab November 1985 Onwards
Separating the Tractor
- Component Removal
- Specifications And Special Tools
Accessories and General Information
- Air Conditioning Systems Tractors Pre November 1985
- Cab Heating System Tractors Pre November 1985
- Hydraulic Trailer Brake Valve
- Air Conditioning Systems Tractors November 1985 Onwards
- Cab Heating System Tractors November 1985 Onwards
Compatibility:
All versions of windows including Windows 7 and 8 both 32 & 64 bit systems as well as Apple Mac’s running OSX 10.6 or above, plus any Tablet or Smartphone.
This Ford New Holland TW35 Tractor PDF Workshop Service & Repair Manual comes in PDF format so is easy to download. We do also have a DVD version or the option to have it installed on a USB stick should you require it.










Reviews
There are no reviews yet.