Description
This Iveco Stralis AD & AT PDF Workshop Service & Repair Manual 2002-2018 is in pdf format and offers both the professional mechanic and the home enthusiast an encyclopaedic insight into your vehicle. It includes absolutely every element of service, repair and maintenance covered within a super user-friendly pdf workshop manual. Over 1500 pages in length all sections are fully bookmarked for ease of use.
Vehicle Years covered:
All production years from 2002-2018
Models covered:
All Engines and Variations of the Hi-Street and Hi-Road Iveco Stralis.
Compatibility:
All versions of windows including Windows 7 and 8 both 32 & 64 bit systems as well as Apple Mac’s running OSX 10.6 or above and any smartphone or tablet.
Here are the key features of the manual:
- Virus Free, Spyware Free, SLL secured download
- Latest data for your vehicle
- Easy to use PDF format.
- Fast access to exact solutions
- Fully compatible with all Windows Operating Systems including 64 Bit machines and any smartphone or tablet
- Step by Step illustrated repair procedures
- Full TIS for your exact model
- Step by Step illustrated repair procedures
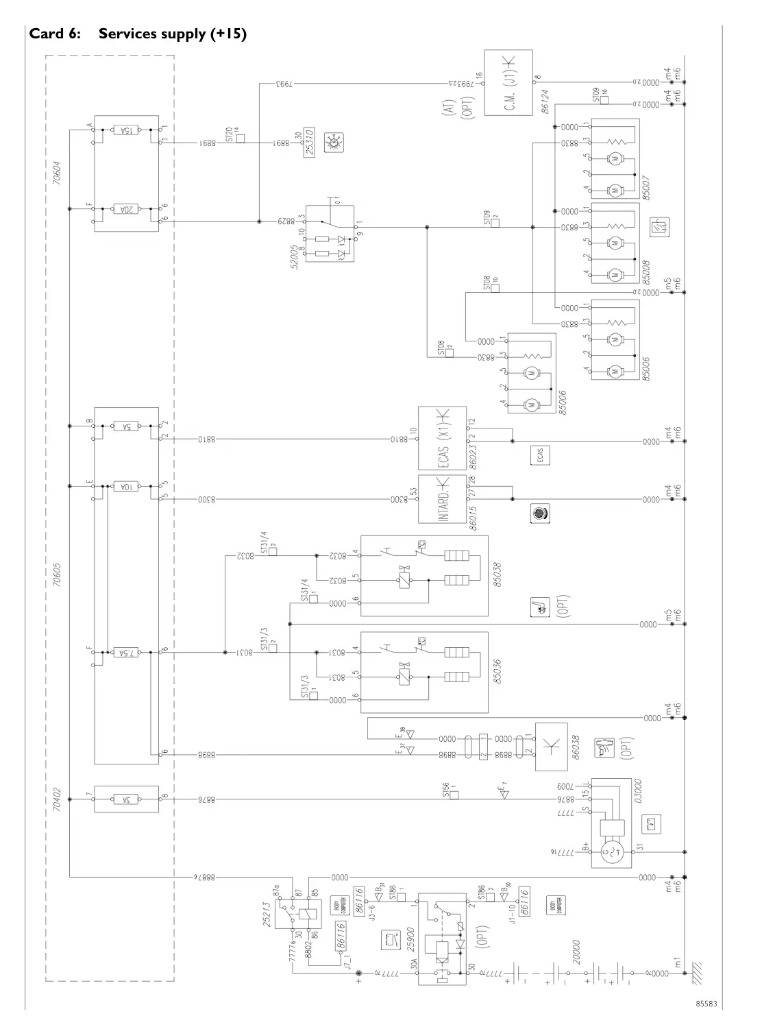
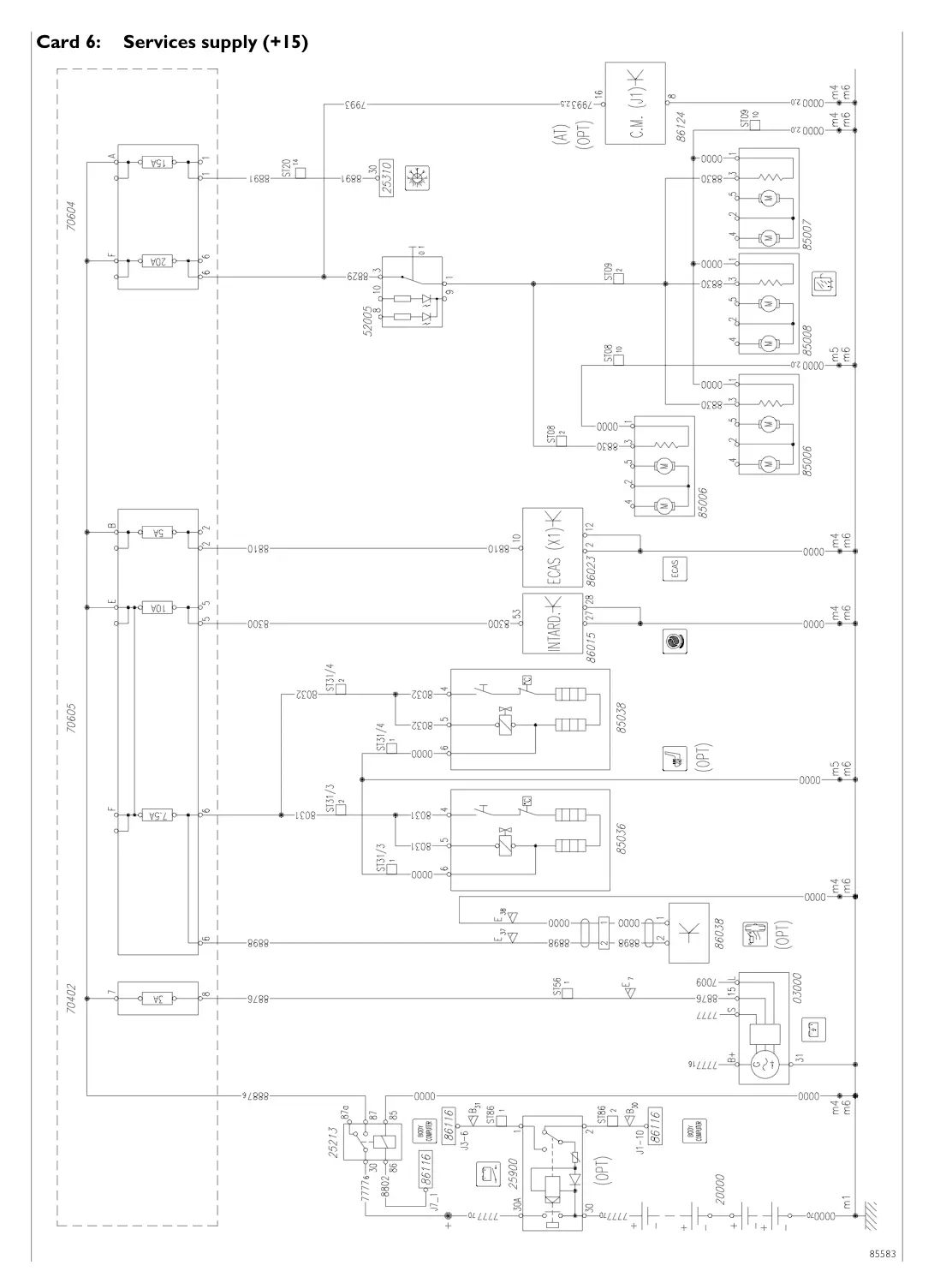
- Full Schematics
- Technical information
Here are some examples of use for each level of user:
The Novice User
- Find out how the Dealer services your car
- Then follow the step-by-step guide to carry out the services
- Cross check what a garage is telling you with the fault finding search option
- Avoid premium garage replacement part prices
- Carry out basic repairs and upkeep of your car with dealer level instructional guides
- Every job will tell you exactly what tools you will need to complete it – simple
- Find the correct oils, lubricants and liquids for your exact model
- Develop your knowledge of vehicle maintenance at your pace and skill level
The Pro Mechanic
- Dealer Level Workshop Resource Collection
- Complete Interactive Technical Information Systems Workshop Manual
- Complete walk-through of all Procedures
- Torque settings, Lubricant and liquid guides and Tool requirements for each job
- Every conceivable repair/replacement/Service procedure fully explained
- No time limit or restrictions
- Ensures your or your client’s vehicle is dealt with at a Dealer standard
This Iveco Stralis AD & AT PDF Workshop Service & Repair Manual 2002-2018 comes in pdf format for ease of use.







Reviews
There are no reviews yet.