Description
This Toyota Alphard Workshop Service Repair Manual 2008 to 2011 offers both the professional mechanic and the home enthusiast an encyclopaedic insight into your vehicle. It includes absolutely every element of service, repair and maintenance including full wiring diagrams.
Vehicle Years covered:
- All years including 2008, 2009, 2010 and 2011 (Facelift model and Hybrid models not included but body and mechanically it is very similar)
Engines Covered:
- 2.4L Petrol 2AZ-FE
- 3.5L Petrol 2GR-FE
Transmissions Covered:
- 6 Speed Automatic
- 7 Speed CVT
Compatibility:
- All versions of Windows including both 32 & 64 bit systems
- All Versions of Mac Computers
- All Versions of Linux Computers
- Not compatible with Chrome OS, mobile devices or smartphones
Download Size:
- 1GB (Zip File)
Here are the key features of the manual:
- Latest data for your vehicle
- No installation required runs in any browser
- Huge collection of supplementary documents
- Fast access to exact solutions
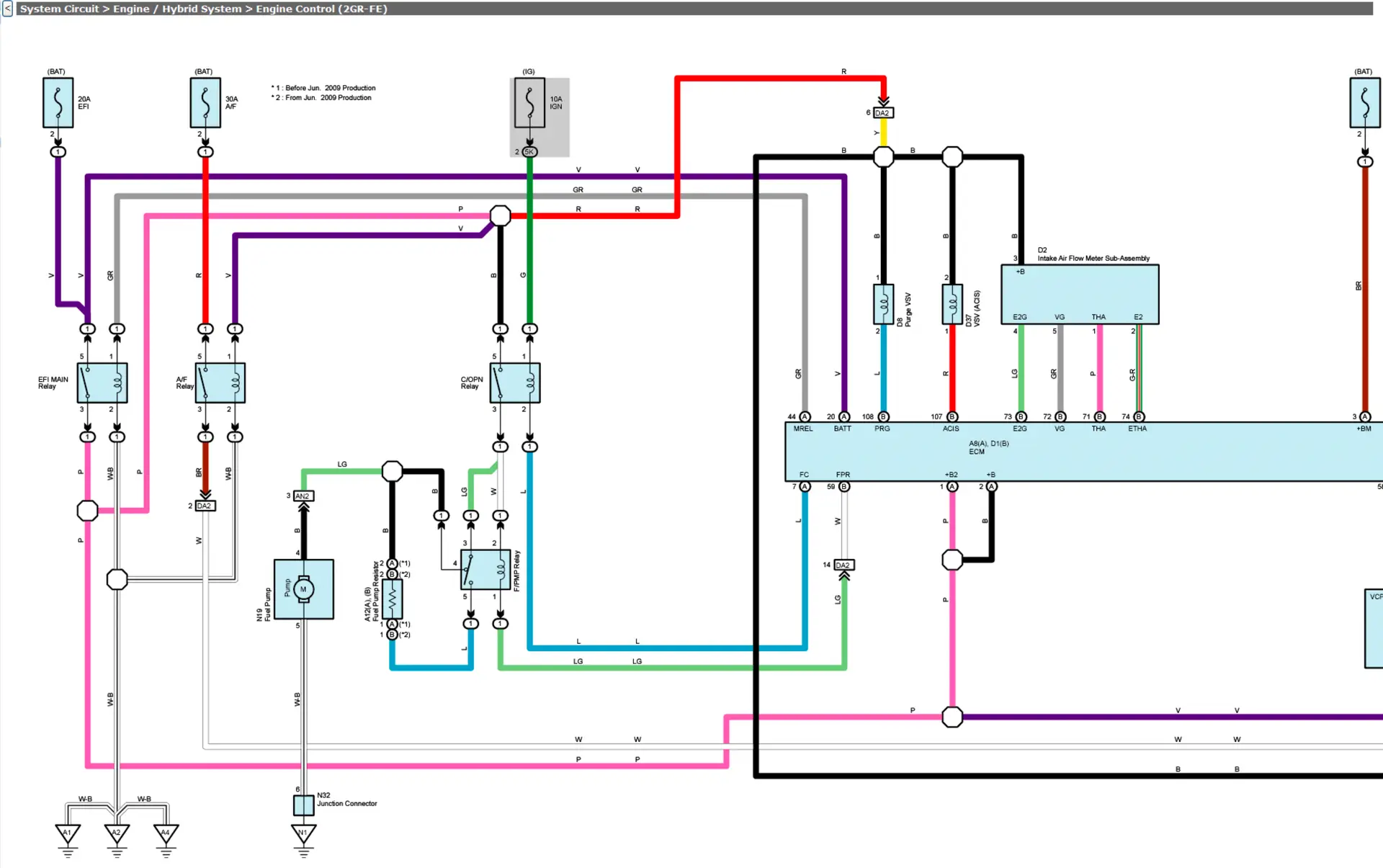
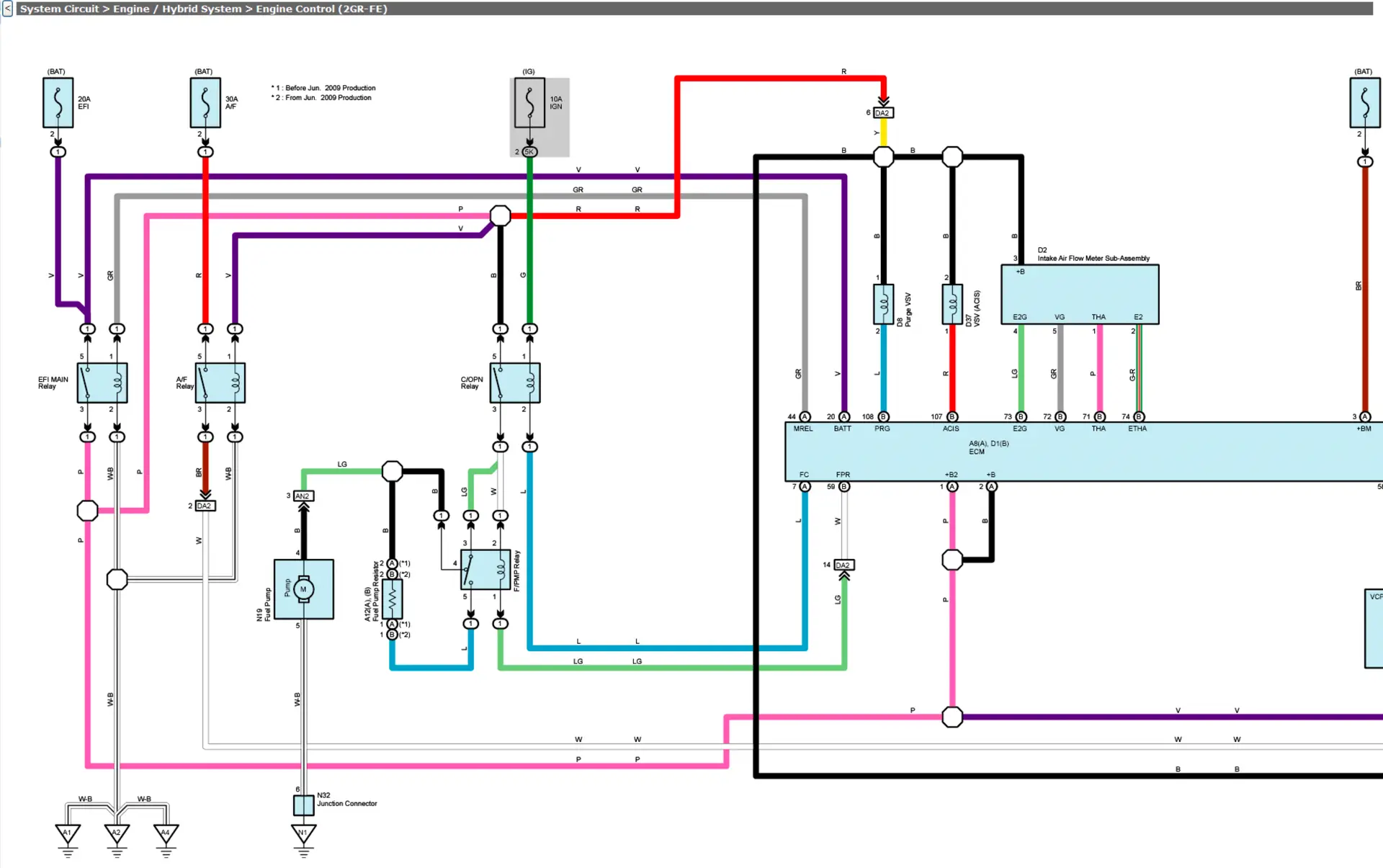
- Full Wiring and Schematics Manual included
- Fault code diagnostics
- Fully compatible with all Windows and Mac Operating Systems including 64 Bit machines
- Step by Step illustrated repair procedures
- Full TIS for your exact model
- Dealer Maintenance procedures required and explained
- Step by Step illustrated repair procedures
- Technical information, Diagnosis Encoding & Schematics
Here are some examples of use for each level of user:
The Novice User
- Find out the Dealer service schedule for your car
- Then follow the step-by-step guide to carry out the service
- Cross check what a garage is telling you with the fault finding search option
- Avoid premium garage replacement part prices
- Carry out basic repairs and upkeep of your car with dealer level instructional guides
- Every job will tell you exactly what tools you will need to complete it – simple
- Find the correct oils, lubricants and liquids for your exact model
- Develop your knowledge of vehicle maintenance at your pace and skill level
The Pro Mechanic
- Dealer Level Workshop Resource Collection
- Complete Interactive Technical Information Systems Workshop Manual
- Complete Wiring Systems and Schematics
- Service Schedules, Intervals and complete walk-through of Procedures
- Torque settings, Lubricant and liquid guides and Tool requirements for each job
- Every conceivable repair/replacement/Service procedure fully explained
- No time limit or restrictions
- Ensures your or your client’s vehicle is dealt with at a Dealer standard
This Toyota Alphard AH20 Workshop and Wiring Manual 2008 to 2011 comes pre-installed inside a virtual operating system to make it easy to run on any PC or Mac, all you need to do is download the manual and the free player app for either your PC or Mac and then run the manual. Full instructions are included. Please be aware the manual is 1Gb inside to download and around 2GB once extracted so if you have slow internet or are short on space please consider the USB option.






Reviews
There are no reviews yet.